Industry Robot
FEATURES

SPECIFICATION
|
Model |
CRP - RH14 - 10 - W |
CRP - RH18 - 20 - W |
CRP-RH20-12-W |
||
|
Arm Type |
Vertical Multijoint |
||||
|
Degrees of Freedom of Movement |
6 - axis |
||||
|
Max. Payload |
10KG |
20KG |
12KG |
||
|
Max. Stroke
|
Axis 1 |
Front - mount/Inverted - mount: -167°~167°, Wall - mount: -30°~30° |
Front -mount/Inverted - mount: -165°~165°, Wall - mount: -30°~30° |
Front - mount/Inverted - mount: -165°~165°, Wall - mount: -30°~30° |
|
|
Axis 2 |
-155° - 90° |
-155°~105° |
-155°~100° |
||
|
Axis 3 |
-175° - 240° |
-170°~240° |
-165°~245° |
||
|
Axis 4 |
-190° - 190° |
-190°~190° |
-190°~190° |
||
|
Axis 5 |
-105° - 130° |
-90°~110° |
-105°~110° |
||
|
Axis 6 |
-210° - 210° |
-210°~210° |
-210°~210° |
||
|
Max. Speed
|
Axis 1 |
169°/S |
160°/S |
160°/S |
|
|
Axis 2 |
169°/S |
160°/S |
160°/S |
||
|
Axis 3 |
169°/S |
169°/S |
169°/S |
||
|
Axis 4 |
301°/S |
301°/S |
301°/S |
||
|
Axis 5 |
220°/S |
342°/S |
338°/S |
||
|
Axis 6 |
743°/S |
708°/S |
535°/S |
||
|
Allowable Torque
|
Axis 4 |
20N.m |
55N.m |
16N.m |
|
|
Axis 5 |
20N.m |
55N.m |
16N.m |
||
|
Axis 6 |
11N.m |
24N.m |
13N.m |
||
|
Allowable Inertia Torque
|
Axis 4 |
0.5kg.m² |
2.1kg.m² |
0.55kg.m² |
|
|
Axis 5 |
0.5kg.m² |
2.1kg.m² |
0.55kg.m² |
||
|
Axis 6 |
0.16kg.m² |
0.9kg.m² |
0.2kg.m² |
||
|
Repeat Positioning Accuracy |
±0.08mm |
±0.08mm |
±0.08mm |
||
|
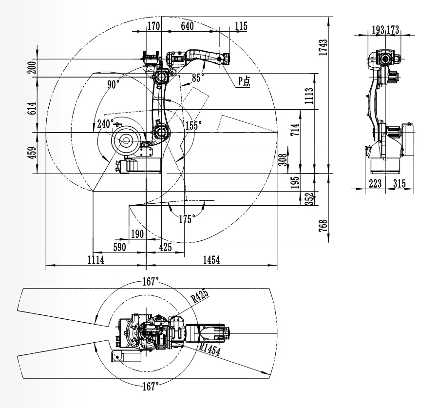
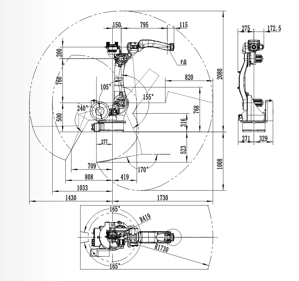
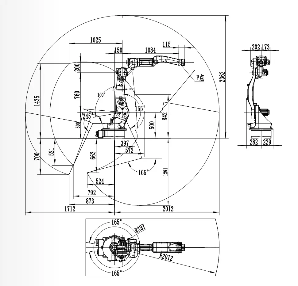
Max. Coverage Range |
1454mm |
1730mm |
2012mm |
||
|
Weight |
170KG |
285KG |
291KG |
||
|
Installation Method |
Floor - mounted, Ceiling - mounted, Wall - mounted |
||||
|
|
Ambient Temperature |
0~45°C |
|||
|
Installation Environment |
Relative Humidity |
20~80% (No Dew Condensation) |
|||
|
|
Vibration |
Below 0.5G |
|||
|
Others |
The robot installation site must be kept away from flammable or corrosive liquids or gases and electrical interference sources. |
||||
|
IP Rating |
Wrist: IP67, Others: IP54 |
||||
|
Features |
Compact structure, high - speed, high - precision, high - expandability, easy to operate |
||||
OPTIONAL ITEMS
|
NO. |
Item |
Parameter |
|
||
|
1 |
Laser Weld Seam Tracker |
CRP-VLS-160GA-V01 |
|
||
|
2 |
Arc Tracker |
CRP-CAW-V2 |
|
||
|
3 |
3D Welding Vision System |
Working distance: 250~500mm Size: 120x92x40mm |
|
||
|
4 |
Welding Gun Cleaner |
Gun cleaning, wire reduction, cleaning three in one |
|
||
|
5 |
Positioner |
Model |
Max. load(kg) |
Size(L*W*H)mm |
|
|
WB1K-500 |
250 |
1800*800*90/ |
|
||
|
500 |
|||||
|
1000 |
|||||
|
WB2S-500 |
250 |
Diameter 500 |
|
||
|
500 |
Diameter 800 |
||||
|
WB2L-500 |
500 |
Diameter 800 |
|
||
|
1000 |
Diameter 1200 |
||||
|
2000 |
Diameter 1500 |
||||
|
WB3S-500 |
500 |
1800*800*90/ |
|
||
|
1000 |
|||||
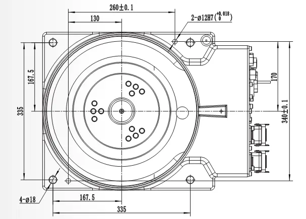
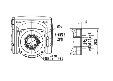
INATALLATION DARWINGS
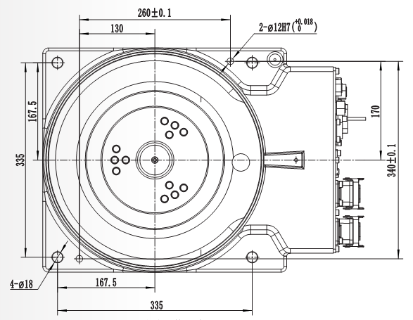
CRP - RH14 - 10 - W

Base

Flange

CRP - RH18 - 20 - W

Base

Flange

Working range
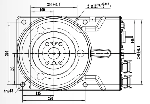
CRP – RH20 - 12 - W

Base

Flange

Working range

Press Brake
CNC Laser
Industry Robot
Plate Rolling Machine
Tube Bending Machine
Lathe and Machining Center
Machine Protection Products
